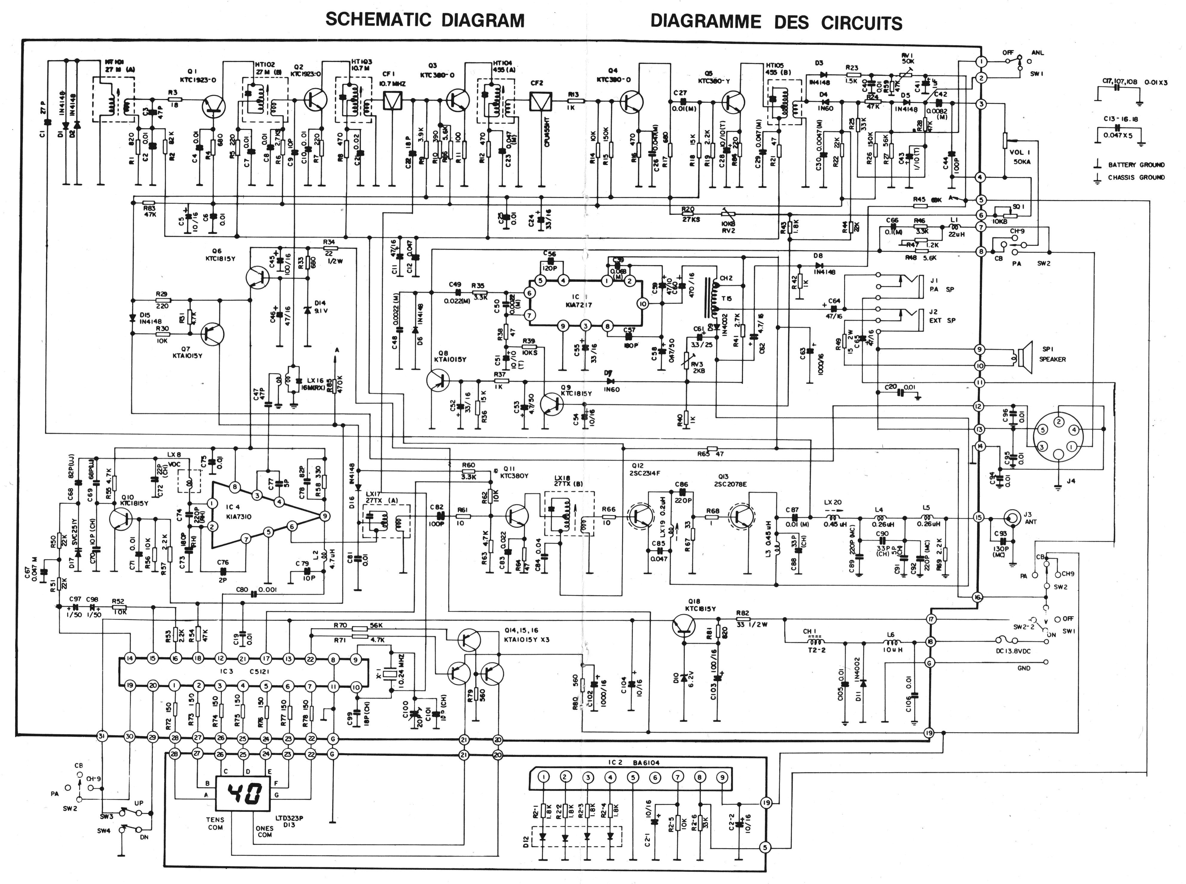
Lear Jet Stereo 8835
| Type: |
Citizen Band Transceiver |
| Frequency Range: |
26.965-27.405 MHz |
| Channels: |
40 |
| Modes: |
AM |
| Frequency Control: |
PLL |
| Power Output: |
4 W |
| Voltage: |
13.8 VDC |
| Current Drain: |
RX: Max ? A
TX: Max ? A |
| Dimensions (W*H*D): |
145 x 185 x 50 mm |
| Weight: |
1.35 kg |
| Manufactured: |
Korea: 19xx-19xx
By Carraday Electronics Ltd. Ontario, Canada |
| Other: |
|
| Related Documents: |
Operation & Service Manual (1.66 MB)
Schematic (1.66 MB) |
| Sams Photofact: |
|
| FCC Data (ID): |
|
 |